²úÆ·¼ò½é£º¸¡±êË®Öʼà²âÕ¾¼¯Êý¾Ý²É¼¯¡¢´æ´¢¡¢´«ÊäºÍÖÎÀíÓÚÒ»ÌåµÄÎÞÈËÖµÊØµÄ²É¼¯ÏµÍ³
1.Ë®Öʸ¡Æ¯¼à²âÕ¾SFA¼¯Êý¾Ý²É¼¯¡¢´æ´¢¡¢´«ÊäºÍÖÎÀíÓÚÒ»ÌåµÄÎÞÈËÖµÊØµÄ²É¼¯ÏµÍ³¡£ËüÔÚ¹¤Å©Òµ³ö²ú¡¢ÓÎÀÀ¡¢³ÇÊл·¾³¼à²â¡¢µØÖÊÔÖº¦¡¢·Àºé¡¢¹©Ë®µ÷¶È¡¢µçվˮ¿âË®ÇéÖÎÀíµÈΪÖ÷ÕÅË®ÎÄ×Ô¶¯²â±¨ÏµÍ³£»Ö°ÄÜ׳´óµÄÉÏλ»úÈí¼þ¿ÉÔ¶³Ì¹Û²âʵʱˮÓêÇéÐÅÏ¢£¬¾ßº±¼û¾Ý¿â¡¢±¨±í¡¢ÏÂÔØµÈÖ°ÄÜ£¬Óû§»¹¿ÉÀûÓøÃÖ°ÄÜÃÀÂúµÄÐÎÏóÈí¼þ¶Ô¼Í¼µÄÊý¾Ý×÷½øÒ»²½µÄ´¦Ö÷ÖÎö¡£
2.Ë®Öʼà²âϵͳ¾ßÌåÓÉË®ÖÊ´«¸ÐÆ÷¡¢Êý¾Ý²É¼¯ÒÇ¡¢Í¨Ñ¶ÏµÍ³¡¢¹©µçϵͳ¡¢ÕûÌå Ö§¼Ü¡¢Ë®Öʼà²âƽ̨Áù²¿ÃÅ×é³É¡£¿Éͬʱ¼à²âˮΡ¢PH¡¢ÈÜ»¯Ñõ¡¢µçµ¼ÂÊ¡¢°±µª¡¢ ×Ƕȡ¢CODµÈ£¬¶àÏîË®ÖÊÉí·Ö¡£Êý¾Ý²É¼¯ÒǾߺ±¼û ¾Ý²É¼¯¡¢Êµ²»¶ÏÖÓ¡¢Êý¾Ý°´Ê±´æ´¢¡¢²ÎÊýÉ趨ºÍ³ß¶È2G/4G£¨GPRS£©Í¨Ñ¶Ö°ÄÜ¡£
¶þ¡¢²úÆ·ÌØµã
1.Òײ¿Ê𣺸÷ÀàÐÍ̽ͷ½øÐи߶ȼ¯³É£¬×°Ö÷½±ã£»ÌṩÃâ·ÑÔÆÆ½Ì¨·þÎñ£¬ÏµÍ³¼±¾çÉÏÏߣ»
2.Ò×ÊØ»¤£ºÉ豸װÖúó£¬×ÔÐй¤×÷¼´¿É£¬ÎÞÐèÈËÎªÖµÊØ£¬Ò²Äܹ»Í¨¹ýÔ¶³Ì¼à¿ØµÄ·½Ê½±£ÏÕÉ豸µÄÕý³£ÔËÐУ»
3.Ò×À©´ó£º´«¸ÐÆ÷̽ͷ¾ùʹÓÃͳһµÄͨѶºÍ̸£¬Äܹ»¼±¾ç¶Ô½ÓÔÉ豸£¬¼±¾çÀ©´ó¼à²â²ÎÊý£»
4.µÍ¹¦ºÄ£ºÉ豸Äܹ»ÊµÏֵ͹¦ºÄ״̬Ï£¬³¤¹¦·òÔËÐУ¬Ôö³¤É豸ʹÓõķ½±ãÐÔ£»
5.ʵʱÐÔ£ºÉ豸¼à²âµ½µÄÊý¾Ýʵʱ´«ÊäÖÁÔÆÆ½Ì¨£¬ÌáÉý»·¾³Êý¾Ý·´À¡µÄʵʱÐÔ¡£
Èý¡¢¼¼Êõ²ÎÊý
1. Ö÷Ìå²ÎÊý
| ²úÆ·Ãû³Æ | ÃèÊö |
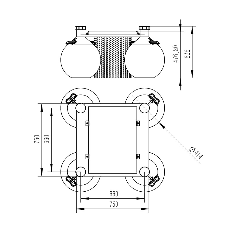
| »·¾³Ë®Öʼà²â¸¡±ê | ¿ÉʵʱʵÏÖ¶à·²ÎÊýÔÚÏß¼à²â¡£¿ÉʵÏÖµç³ØµçÁ¿¼à¿Ø¡£¿ÉʵÏÖÔÆÆ½Ì¨Êý¾Ý¼à¿Ø¡¢Êý¾ÝÍÆËÍ¡¢Êý¾ÝµÄ´æ´¢ºÍ±¨¾¯Ö°ÄÜ£»Êý¾ÝµÄÎÞÏß·¢ÉäÖ°ÄÜ¡£·åÖµ¹¦ºÄΪ 5W£»´«¸ÐÆ÷¹¦ºÄ 0.25W×óÓÒ/Ö»¡£±íÐγߴ磺750mm*750mm*535mm¡£¸¡ÇòÖ±¾¶414mm³ÁÁ¿£º22kg |
| ²É¼¯Æ÷Êý¾Ý²É¼¯ | ÔËÐп¿µÃס£¬¿¹×ÌÈÅ£¬¿É¼¯³É¶à·RS485/MODBUS-RTU´ÓÕ¾É豸 |
| ²É¼¯Æ÷Êý¾ÝÊä³ö | 1 · Rs485/JSONºÍ̸Êä³ö |
| µç³Ø | ï®µç³Ø 12VDC£¬20AH£¨Ä¬ÈÏ£© |
| Ì«ÑôÄÜµç³Ø°å | 22.1V/50W£¨Ä¬ÈÏ£© |
| ¹©µçÄÜÁ¦ | ¶¨ÔìÑ¡ÐÍ£»ÒõÓêÌì¼äЪ¹¤×÷ 5ÌìÒÔÉÏ |
| µØÎ»Åúʾ£¨Ñ¡Å䣩 | ¾¯Ê¾µÆ£»GPS ¶¨Î»£» |
| ¼à²âƽ̨ | ÔÆÆ½Ì¨£»ÊÖ»ú/µçÄÔ¶àÖն˵Ǽ |
| ·À»¤ÕÖ | 304 ²»Ðâ¸ÖÂËͲ·À»¤ÕÖ |
| ¸¡Ìå | Ö±¾¶414mm ÇòÐθ¡Ìå*4¹¤³ÌËÜÁÏ |
2.¿ÉÑ¡Åä´«¸ÐÆ÷µÄÖØÒª²ÎÊý
| ÐòºÅ | ´«¸ÐÆ÷ÀàÐÍ | ÕÉÁ¿ÁìÓò | ÕÉÁ¿µÀÀí | ÕÉÁ¿¾«¶È |
| 1 | ÎÂ¶È | 0~50¡æ | ¸ß¾«¶ÈÊý×Ö´«¸ÐÆ÷ | ¡À0.3¡æ |
| 2 | pH | 0~14£¨ph£© | µç»¯Ñ§£¨ÑÎÇÅ£© | ¡À 0.1PH |
| 3 | ÈÜ»¯Ñõ | 0~20mg/L | Ó«¹âÊÙÃü·¨ | ¡À 2% |
| 4 | µçµ¼ÂÊ | 0~5000uS/cm | ½Ó´¥Ê½µç¼«·¨ | ¡À 1.5% |
| 5 | ×Ç¶È | 0~40NTU£¨Ñ¡Å䣩 | É¢Éä¹â·¨ | ¡À 1% |
| 6 | ORP | -1500mv~1500mv | µç»¯Ñ§£¨ÑÎÇÅ£© | ¡À 6mv |
| 7 | ï§Àë×Ó | 1-100mg/l | Àë×ÓÑ¡Ôñµç¼«·¨ | ¡À 5mg |
¿Éƾ¾Ý¿Í»§µÄÏÖʵÇé¿ö¼°ËùÒª´ïµ½µÄ¼¼ÊõÖ¸±ê¶¨ÔìÏàÒ˵ļì²â¹æ»®
°ÑÎÈ£º ´«¸ÐÆ÷×°ÖÃʱ²»Äܵߵ¹»òÕßˮƽװÖ㬠ÖÁÉÙÇãб 15 ¶È½ÇÒÔÉÏ×°ÖÃ,
ÒÔÉÏË®ÖÊ´«¸ÐÆ÷¹¤×÷»·¾³0-50¡æ£¬<0.3Mpa¡£
ËÄ¡¢²úÆ·³ß´çͼ

Îå¡¢É豸װÖÃÒªÇó
1.Ô¶Àë´ó¹¦ÂÊÎÞÏߵ緢ÉäÔ´
2.Ô¶Àë¸ßѹÊäµçÏߺÍ΢²¨ÎÞÏߵ紫ËÍͨ·
3.¾¡Á¿¿¿½üÊý¾Ý´«ÊäÍøÂç
4.Ô¶ÀëÇ¿µç´Å×ÌÈÅ