²úÆ·¼ò½é£ºJD-WQX8ÐͰËÉí·Ö΢ÐÎÏóÒÇ´´ÐÂÐԵؽ«ÐÎÏó³ß¶È²ÎÊý(·ç¿ì¡¢·çÏò¡¢Î¶ȡ¢Êª¶È¡¢ÆøÑ¹¡¢pm2.5¡¢pm10¡¢ÔëÉù)ͨ¹ýÒ»¸ö¸ß¼¯³É¶È½á¹¹À´ÊµÏÖ£¬¿ÉʵÏÖ»§±íÐÎÏó²ÎÊý24Ó×Ê±Â½ÐøÔÚÏß¼à²â
Ò»¡¢²úÆ·¼ò½é
¡¡¡¡Ç®¹ñqg777×÷ΪרҵÑз¢³ö²úÏúÊÛ΢ÐÍÐÎÏóÒÇµÄÆóÒµ£¬Ò»ÏòÖÂÁ¦ÓÚ΢ÐÍÐÎÏóÒǺÍÐÎÏó»·¾³½â¾ö¹æ»®ÍƹãÀûÓá£ÓµÓÐÆëÈ«µÄ³ö²úÁ´¡¢ÊµÁ¦ÐÛºñµÄ¼¼ÊõÍŶӺÍÈ«ÃæµÄÓªÏúÍŶӣ¬ÎÒÃÇÑз¢³ö²úµÄ³¬Éù²¨·ç¿ì·çÏòÒÇ¡¢ÎåÉí·Ö΢ÐÎÏóÒÇ¡¢ÁùÉí·Ö΢ÐÎÏóÒǺÍÓ×ÐÍ×Ô¶¯ÐÎÏóÕ¾µÈÐÎÏó²úÆ·£¬ÒÑ¿í·ºÀûÓõ½ÐÎÏó¼à²â¡¢³ÇÊл·¾³¼à²â¡¢·çÁ¦·¢µç¡¢º½º£´¬²°¡¢º½¿Õ»ú³¡¡¢ÇÅÁºËí·µÈÁìÓò£¬¿Í»§±é²¼È«¹ú¸÷µØ£¬²¢»ñµÃÁËÓÅÁ¼µÄÉç»áÐ§ÒæºÍ¾¼ÃÐ§Òæ¡£
¡¡¡¡Ó봫ͳµÄ΢ÐÍÐÎÏóÒÇÏà±È£¬ÎÒ˾²úÆ·¿Ë·þÁ˶Ը߾«¶È¼ÆÊ±Æ÷µÄÐèÒª£¬Ô¤·ÀÁËÒò´«¸ÐÆ÷Æô¶¯ÑÓʱ¡¢½âµ÷µç·ÑÓʱ¡¢Î¶ȱ䶯¶øÔì³ÉµÄÕÉÁ¿½û¾øÎÊÌâ¡£
¡¡¡¡JD-WQX8ÐͰËÉí·Ö΢ÐÎÏóÒÇ´´ÐÂÐԵؽ«ÐÎÏó³ß¶È²ÎÊý(·ç¿ì¡¢·çÏò¡¢Î¶ȡ¢Êª¶È¡¢ÆøÑ¹¡¢pm2.5¡¢pm10¡¢ÔëÉù)ͨ¹ýÒ»¸ö¸ß¼¯³É¶È½á¹¹À´ÊµÏÖ£¬¿ÉʵÏÖ»§±íÐÎÏó²ÎÊý24Ó×Ê±Â½ÐøÔÚÏß¼à²â£¬Í¨¹ýÊý×ÖÁ¿Í¨Ñ¶½Ó¿Ú½«°ËÏî²ÎÊýÒ»´ÎÐÔÊä³ö¸øÓû§¡£²úÆ·½á¹¹½ô´Õ£¬±íÐÎÃÀ¹Û¡¢·çÑÅ¡¢¸ß¶È¼¯³É¡£
¶þ¡¢²úÆ·ÌØµã
1¡¢¶¥¸Ç°µ²ØÊ½³¬Éù²¨Ì½Í·£¬Ô¤·ÀÓêÑ©¶Ñ»ýµÄ×ÌÈÅ£¬Ô¤·ÀÌìÈ»·çÕÚµ²
2¡¢µÀÀíΪ·¢ÉäÂ½Ðø±äƵ³¬Éù²¨Ðźţ¬Í¨¹ýÕÉÁ¿Ïà¶ÔÏàλÀ´¼ì²â·ç¿ì·çÏò
3¡¢·ç¿ì¡¢·çÏò¡¢Î¶ȡ¢Êª¶È¡¢ÆøÑ¹¡¢pm2.5¡¢pm10¡¢ÔëÉù°ËÉí·ÖÒ»Ìåʽ
4¡¢Ñ¡È¡ÏȽøµÄ´«¸Ð¼¼Êõ£¬ÊµÊ±ÕÉÁ¿£¬ÎÞÆô¶¯·ç¿ì¡î
5¡¢¿¹×ÌÈÅÄÜÁ¦Ç¿£¬ÓµÓп´ÃŹ·µç·,×Ô¶¯¸´Î»Ö°ÄÜ,±£ÕÏϵͳ²»±äÔËÐÐ
6¡¢¸ß¼¯³É¶È£¬ÎÞÒÆ¶¯²¿¼þ£¬ÁãÄ¥Ëð
7¡¢ÃâÊØ»¤£¬ÎÞÐèÏÖ³¡Ð£×¼
8¡¢Ñ¡È¡ASA¹¤³ÌËÜÁÏÊÒ±íÀûÓÃÖÕÄê²»±äÉ«
9¡¢²úÆ·Éè¼ÆÊä³öÐźűêÅäΪRS485ͨѶ½Ó¿Ú£¨MODBUSºÍ̸£©£»¿ÉÑ¡Åä232¡¢USB¡¢ÒÔÌ«Íø½Ó¿Ú£¬Ö§³ÖÊý¾Ýʵʱ¶ÁÈ¡¡î
10¡¢¿ÉÑ¡ÅäÎÞÏß´«ÊäÄ£¿é£¬×îÓ×´«Êä¾àÀë1·ÖÖÓ
11¡¢Ì½Í·Îª¿¨¿ÛʽÉè¼Æ£¬½â¾öÁËÔËÊä¡¢×°Öùý³ÌËɶ¯½û¾øµÄÎÊÌâ¡î
Èý¡¢¼¼Êõ²ÎÊý
1¡¢·ç¿ì£ºÕÉÁ¿µÀÀí³¬Éù²¨£¬0¡«60m/s£¨¡À0.1m/s£©·Ö±æÂÊ0.01m/s£»
2¡¢·çÏò£ºÕÉÁ¿µÀÀí³¬Éù²¨£¬0¡«360¡ã£¨¡À2¡ã£©£»·Ö±æÂÊ£º1¡ã£»
3¡¢¿ÕÆøÎ¶ȣºÕÉÁ¿µÀÀí¶þ¼«¹Ü½áµçѹ·¨£¬-40-80¡æ£¨¡À0.3¡æ£©£¬·Ö±æÂÊ0.01¡æ£»
4¡¢¿ÕÆøÊª¶È£ºÕÉÁ¿µÀÀíµçÈÝʽ£¬0-100%RH£¨¡À3%RH£©,·Ö±æÂÊ£º0.1%RH£»
5¡¢´óÆøÑ¹Á¦£ºÕÉÁ¿µÀÀíѹ×èʽ£¬300-1100hpa£¨¡À0.25%£©£¬·Ö±æÂÊ0.1hpa£»
6¡¢PM2.5£º0-1000ug/m3£¨¡À10%£©
7¡¢PM10£º0-1000ug/m3£¨¡À10%£©
8¡¢ÔëÉù£º30-120dB£¨¡À1.5dB£©
9¡¢¹¦ÂÊ:0.72W
10¡¢À¶ÑÀ£ºÄÚÖÃÀ¶ÑÀÄ£¿é£¬¿ÉÁ¬°²×¿ÊÖ»ú£»
11¡¢ÓÐÏß´«Ê䣺485תUSB£¬¿ÉÖ±Á¬µçÄÔ£»
12¡¢Êý¾Ý´æ´¢£º²»ÉÙÓÚ50ÍòÌõ£»
13¡¢³ö²úÆóÒµÓµÓÐISOÖÊÁ¿ÖÎÀíϵͳ¡¢»·¾³ÖÎÀíϵͳºÍÖ°Òµ½¡È«ÖÎÀíϵͳÈÏÖ¤¡î
15¡¢³ö²úÆóҵΪ3A¼¶ÐÅÓþÆóÒµ¡î
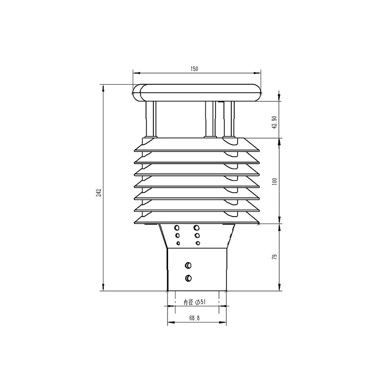
ËÄ¡¢²úÆ·³ß´çͼ

Îå¡¢²úÆ·½á¹¹Í¼

1¡¢½ÚÔìµç·
2¡¢Ö¸±±¼ýÍ·
3¡¢³¬Éù²¨Ì½Í·
4¡¢°ÙÒ¶ÏäPM2.5¡¢PM10
5¡¢Î¶ȡ¢Êª¶È¡¢ÔëÉù¡¢ÆøÑ¹¼à²âµØÎ»
6¡¢·¨À¼×ª»»Í·
¡ù´Ë²úÆ·¿ÉÑ¡Åäµç×ÓÂÞÅÌÖ°ÄÜ
Áù¡¢²úÆ·½ÓÏß½ç˵
½ç˵ | ±¸×¢ | |
VCC | µçÔ´Õý | DC12V |
GND | µçÔ´µØ | |
485A | RS485A | |
485B | RS485B |